Comchip Technology BAW56-HF & BAV70/99-HF Switching Diodes

Comchip Technology BAW56-HF and BAV70/99-HF Switching Diodes are fast-switching devices with high reliability and stability. The BAW56-HF and BAV70/99-HF diodes feature power dissipation of 225mW, 70V reverse voltage and low reverse leakage. The BAW56-HF and BAV70/99-HF switching diodes operate at 150°C temperature. The BAW56-HF and BAV70/99-HF switching diodes come with SOT-23 with a molded plastic case.

Features

  • Fast switching device (Trr < 6.0ns)
  • Power dissipation of 225mW
  • High stability and high reliability
  • Low reverse leakage
  • SOT-23, molded plastic case
  • RoHS and halogen-free device

Specifications

  • 70V reverse voltage
  • 200mA average rectified current
  • 400mA non-repetitive peak forward current
  • 150°C operating junction temperature
  • -65°C to 150°C storage temperature range

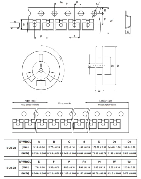
Dimensions & Mechanical Diagram

Published: 2020-06-08 | Updated: 2024-05-15