DFRobot DFR1190 Raspberry Pi Pico 2

DFRobot DFR1190 Raspberry Pi Pico 2 is a high-performance microcontroller designed for versatility, security, and efficiency. The RP2350 powers the DFRobot DFR1190 and features dual Arm® Cortex®-M33 and Hazard3 RISC-V cores, offering enhanced processing power. Built-in security, including Arm TrustZone and hardware SHA-256 acceleration, ensures strong protection for embedded systems. With flexible interfaces, low power consumption, and detailed documentation, it’s ideal for prototyping, education, and advanced hardware integration.

Features

  • Enhanced performance
  • Equipped with dual Arm Cortex-M33 cores operating at up to 150MHz
  • Offers a significant boost in processing power
  • Includes Hazard3 RISC-V cores for flexible architecture experimentation
  • Comprehensive security
  • Built around Arm TrustZone for Cortex-M
  • Features signed boot support, hardware SHA-256 acceleration, and a true random number generator
  • Flexible interfacing
  • Includes a second-generation Programmable I/O (PIO) subsystem
  • Offers a rich peripheral set for customizable interfacing with minimal CPU overhead
  • Low-power consumption
  • Manufactured on a 40nm process node for low dynamic power usage
  • Provides low-power modes for extended battery operation
  • Extensive documentation
  • Offers comprehensive documentation and a polished MicroPython port
  • Ensures a smooth development experience for both beginners and advanced users

Applications

  • Prototyping
  • Educational projects
  • Embedded systems development
  • Complex hardware integration
  • IoT applications
  • Robotics
  • Automation systems
  • Sensor data processing
  • Secure communication systems
  • Custom electronics development

Specifications

  • Dual Arm Cortex-M33 cores at 150MHz or dual Hazard3 RISC-V cores processor
  • 520KB high-performance SRAM, supporting up to 16MB off-chip Flash memory via QSPI bus
  • Security
    • Arm TrustZone for Arm Cortex-M
    • 8KB on-chip OTP memory
    • SHA-256 hardware acceleration
    • True random number generator (TRNG) 
  • Power
    • On-chip programmable LDO for core voltage
    • Two on-chip PLLs for USB and core clocks
  • Interfacing
    • 30x GPIO pins, including four analog inputs
    • 2x UARTs, 2x SPI controllers, 2x I2C controllers
    • 24x PWM channels
    • USB 1.1 controller with host and device support
    • Three programmable IO (PIO) blocks with 12x state machines 

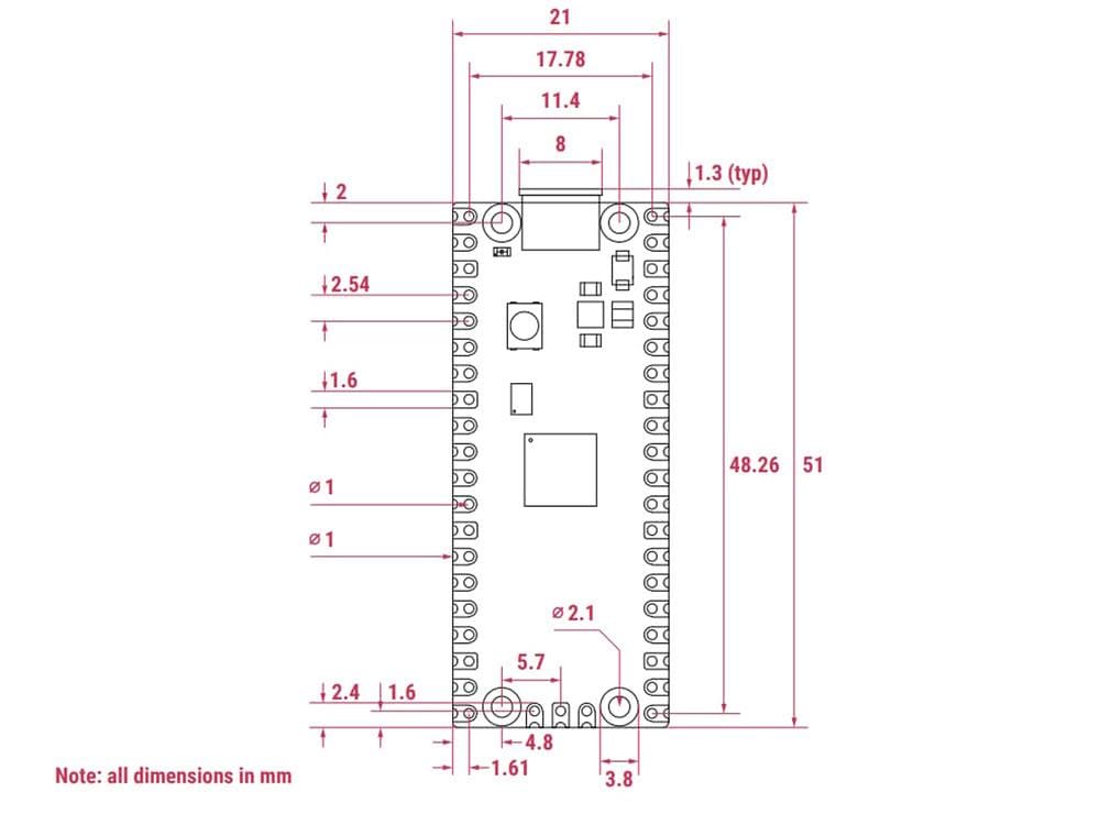
Dimensions

DFRobot DFR1190 Raspberry Pi Pico 2
Published: 2024-12-13 | Updated: 2024-12-27