Diodes Incorporated AP3304A Multi-Mode PWM Controller

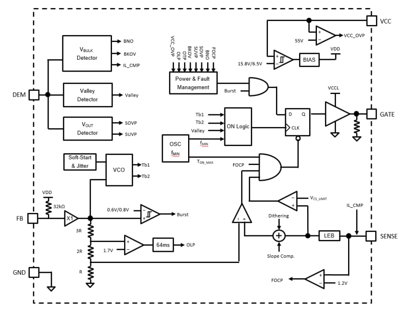
Diodes Incorporated AP3304A Multi-Mode PWM Controller is a peak-current control CCM+ QR PWM controller featuring high performance, low standby power, and cost-effective offline flyback converters. The AP3304 operates in burst mode at light load with a 23kHz switching frequency to minimize standby power consumption and avoid audible noise. The AP3304 enters QR mode with frequency fold-back when the load increases to improve system efficiency and EMI performance. When the device is in QR mode, the maximum switching frequency clamps to 100kHz to reduce switching power loss. The AP3304A switching frequency falls as the load increases until entering CCM with a fixed switching frequency 80kHz to optimize power conversion efficiency. Additionally, the frequency dithering function is built in to reduce EMI emission. Internal piecewise linear line compensation allows constant output power limits over the universal line voltage range.

The Diodes AP3304A Multi-Mode PWM Controller includes comprehensive protection features, such as brownout protection, cycle-by-cycle current limit (OCP), VCC Over Voltage Protection (VOVP), Secondary-side Output OVP (SOVP), and UVP (SUVP), internal OTP, Over Load Protection (OLP) and pins’ fault protection.

Features

  • Very low start-up current
  • Multi-mode control with CCM+QR
  • Soft start during the startup process
  • Frequency fold back for high average efficiency
  • Constant over current protection
  • Secondary winding short protection with FOCP
  • Frequency dithering for reducing EMI
  • Useful pin fault protection:
    • SENSE Pin floating
    • FB/Opto-coupler open/short
  • Comprehensive system protection feature:
    • VCC Over Voltage Protection (VOVP)
    • Over Load Protection (OLP)
  • Brown Out Protection (BNO)
  • Secondary Side OVP (SOVP) and UVP (SUVP)
  • Mini size package of SOT26 (Type A1)
  • Totally lead-free and fully RoHS compliant
  • Halogen and antimony free “Green” device

Applications

  • Switching AC-DC adapter/charger
  • ATX/BTX Auxiliary power
  • Set-Top Box (STB) power supply
  • Open frame switching power supply

Typical Applications Circuit

Application Circuit Diagram - Diodes Incorporated AP3304A Multi-Mode PWM Controller

Block Diagram

Block Diagram - Diodes Incorporated AP3304A Multi-Mode PWM Controller
Published: 2022-04-20 | Updated: 2022-10-25