Texas Instruments ISO6741DWEVM Evaluation Module

Texas Instruments ISO6741DWEVM Evaluation Module supports the evaluation of the ISO67xx triple- and quad-channel digital isolators in a 16-pin WB SOIC package. The ISO67xx digital isolator is capable of galvanic isolations up to 5000VRMS. These isolators provide high electromagnetic immunity and low emissions at low power consumption while isolating CMOS or LVCMOS digital I/Os.

The TI ISO6741DWEVM Evaluation Module features enough test points and jumper options to evaluate the ISO67xx device with minimal external components.

Features

  • Low-speed, triple- and quad-channel digital isolator
  • 1.71V to 5.5V wide supply and level translation range
  • High signaling rate of up to 50Mbps
  • Isolation barrier life > 40 Years

Board Layout

Mechanical Drawing - Texas Instruments ISO6741DWEVM Evaluation Module

Basic EVM Operation

Chart - Texas Instruments ISO6741DWEVM Evaluation Module

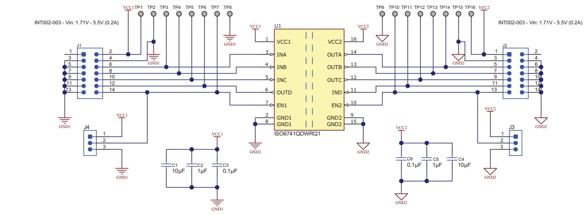
Schematic

Schematic - Texas Instruments ISO6741DWEVM Evaluation Module
Published: 2020-10-07 | Updated: 2024-08-28