Texas Instruments LM36010 Synch-Boost Single-LED Flash Drivers
Texas Instruments LM36010 Synchronous-Boost, Ultra-Small LED Flash Driver offers a 1.5A high-side current source and a high level of adjustability. The LM36010 Ultra-Small LED Flash Driver produces up to 1.5A of LED flash current or up to 376mA of torch current with a solution size of 7mm2. The 1.5A constant current LED source is powered by a 2MHz or 4MHz fixed-frequency, synchronous boost converter. The current source remains in regulation via an adaptive regulation method ensuring maximum efficiency. The regulation method controls the current from 11mA up to 1.5A in flash mode or from 2.4mA up to 376mA in torch mode. The I2C-compatible interface controls features on the LM36010, including hardware flash (STROBE) and 128 programmable currents for both flash and movie mode (torch). Low-profile, tiny inductors and ceramic capacitors are allowed through the 2MHz or 4MHz switching frequency, overvoltage protection (OVP), and adjustable current limit.Features
- Accurate and programmable LED currents
- Flash/IR currents ranging from 11mA up to 1.5A (128 Levels)
- Torch currents ranging from 2.4mA up to 376mA (128 Levels)
- Flash time-out up to 1.6 seconds
- Grounded cathode LED operation for improved thermal management
- <7mm2 Small total solution size
- Hardware Strobe Enable (STROBE)
- Input voltage range from 2.5V to 5.5V
- Optimized flash LED current during low battery conditions (IVFM)
- 400kHz I2C-Compatible interface
- I2C Address = 0x64
Applications
- Mobile phones
- Tablets
- IR LED Driver
- Video surveillance: IP Camera
- Barcode scanner
- Portable data terminal
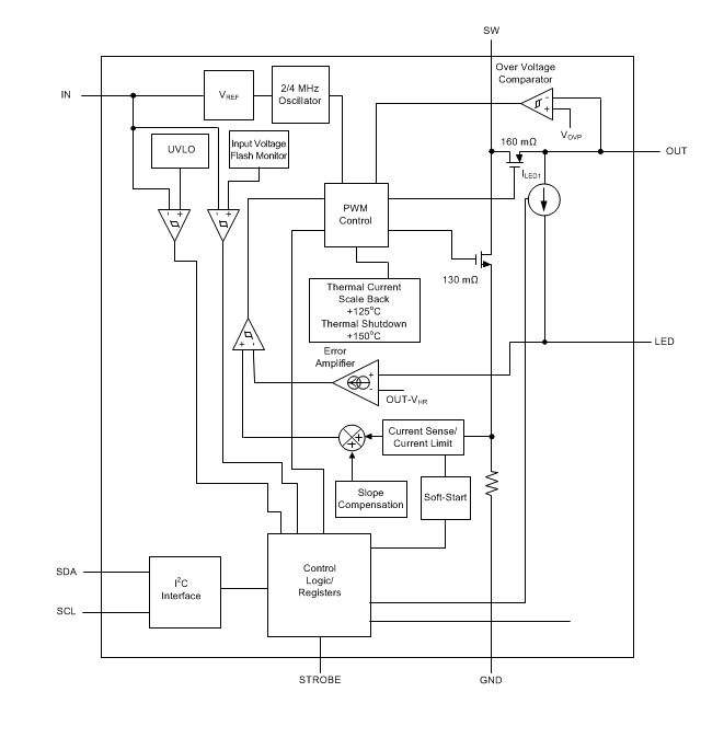
Functional Diagram
Published: 2018-07-13
| Updated: 2022-11-03
