Texas Instruments SN74AC165/SN74AC165-Q1 8-Bit Shift Registers
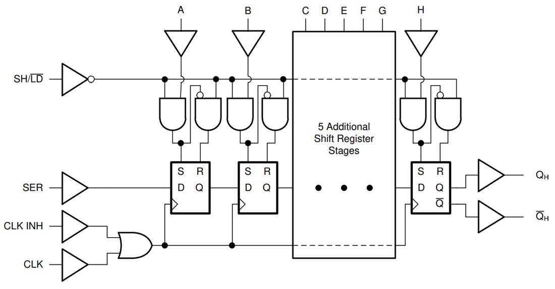
Texas Instruments SN74AC165/SN74AC165-Q1 8-Bit Parallel Input Shift Registers have a serial data input (SER), standard and inverted serial outputs (QH, /QH), and clock inhibit input (CLK INH). A parallel-in access to each stage is provided by eight individual direct data (A-H) inputs enabled by a low level at the shift/load (SH//LD) input. These devices also feature a complementary serial (/QH) output and a clock-inhibit (CLK INH) function. The Texas Instruments SN74AC165-Q1 devices are AEC-Q100 qualified for automotive applications.Features
- Wide operating range of 1.5V to 6V
- Inputs accept voltages up to 6V
- Continuous ±24mA output drive at 5V
- Supports up to ±75mA output drive at 5V in short bursts
- Drives 50Ω transmission lines
- Maximum tpd of 10.1ns at 5V, 50pF load
Applications
- Increase the number of inputs on a microcontroller
- Read in board revision
Additional Resources
- Application Note: Designing With Logic
- Application Note: Implications of Slow or Floating CMOS Inputs
- Application Note: Understanding and Interpreting Standard-Logic Data Sheets
- Application Note: Using High-Speed CMOS and Advanced CMOS in Systems With Multiple VCC
- Selection Guide: Logic Guide
- User Guide: LOGIC Pocket Data Book
Logic Diagram (Positive Logic)
Published: 2025-04-30
| Updated: 2025-05-09
