Texas Instruments TPS23755 PoE DC-DC Controllers
Texas Instruments TPS23755 PoE DC-DC Controllers integrate a Power over Ethernet (PoE) powered device (PD) interface, a 150V switching power FET, and a current-mode DC-DC controller optimized for flyback topology. The TPS23755 is an ideal solution for size-constrained applications with a high integration level, primary side regulation (PSR), spread spectrum frequency dithering (SSFD), and an advanced startup. The PoE implementation supports the IEEE 802.3at standard as a 13W, Type 1 PD.The DC-DC controller features a PSR that uses feedback from an auxiliary winding to control the output voltage, eliminating the need for an external shunt regulator and an optocoupler. The device is optimized for operation with a secondary side diode rectifier (typically 12V output or higher). Typically, the converter operates in continuous conduction mode (CCM) at a switching frequency of 250kHz.
The Texas Instruments TPS23755 DC-DC Controllers provide an SFFD and slew rate control, helping minimize the size and cost of the EMI filter. The Advanced Startup allows the use of a minimal bias capacitor while simplifying converter startup and hiccup design. The secondary auxiliary power detect capability provides priority for a secondary side power adapter while ensuring a smooth transition to and from PoE input power with no efficiency or thermal trade-off. Additional features for the TPS23755 include an internal soft-start, slope compensation, and blanking.
Features
- Integrated PWM controller with 0.77Ω (typ) 150V power MOSFET
- Flyback controller with PSR
- Supports CCM operation with secondary side diode rectifier
- ±3% (typ, 12V output) load regulation (5%-100% range)
- Supports low-side switch buck topology
- Adjustable switching frequency with synchronization
- Advanced startup
- Programmable slew rate and frequency dithering for enhanced EMI reduction
- Flyback controller with PSR
- Secondary side adapter priority control with smooth transition
- –40°C to 125°C junction temperature range
- Small 6mm x 4mm VSON package
- Complete IEEE 802.3at PD solution for type 1 PoE
- Ethernet Alliance (EA) logo-certified designs are available
- Robust 100V, 0.36Ω (typ) hot-swap MOSFET
- Programmable classification level
Applications
- IEEE 802.3at compliant powered devices
- Security cameras
- IP phones
- Access points
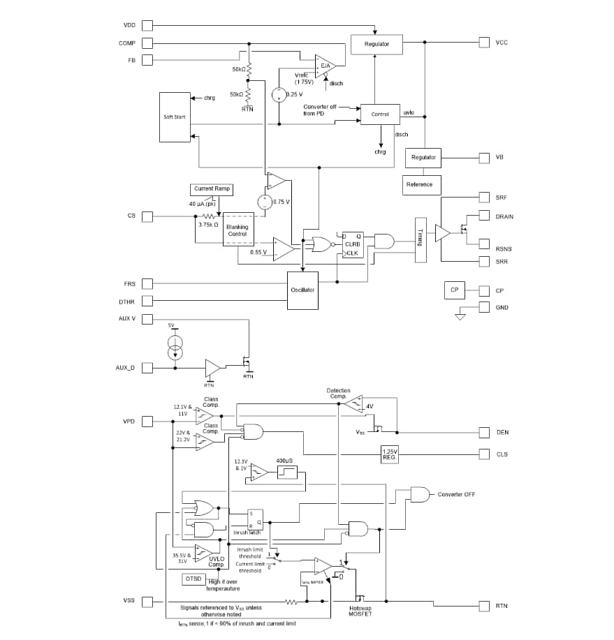
Block Diagram
Simplified Application
